Hilfe im Raum Hamburg (so 100 Kilometer Radius ;-)

Hilfe im Raum Hamburg (so 100 Kilometer Radius ;-)

03 Okt. 2023 12:01 - 03 Okt. 2023 12:04
#70852
Liebe Leute!

Uta und ich bauen unsere XBR von 1987 zum Flattracker um. Eine Menge ist schon abgeschraubt, neue Reifen drauf und wir tasten uns an weitere Themen heran.

Wir brauchen: einen erfahrenen Schrauber, der uns helfen würde den Kabelbaum rauszureißen. Es muss nur noch ganz wenig Elektrik (Starter, Killschalter...) übrigbleiben.
Licht, Blinker, Hupe, Leerlauf pipapo kann alles weg. Viele Kabel haben wir selbst schon entfernt - jetzt werden wir unsicher was noch wegkann.

Ist da wer, der uns helfen würde?

Viele Grüße Rossi

P.S. Möchte noch erwähnen, dass wir ziemliche Technik Honks sind, aber gerne lernen, um es das nächste Mal selbst machen zu können...

Anhänge:

Letzte Änderung: 03 Okt. 2023 12:04 von Rossi.

Bitte Anmelden oder Registrieren um der Konversation beizutreten.

Re: Hilfe im Raum Hamburg (so 100 Kilometer Radius ;-)

03 Okt. 2023 12:53 - 03 Okt. 2023 13:04
#70853
Schaltplan auf DIN 1 vergrössern lassen. Mit Buntstiften die Leitungen auf den Schaltplan kennzeichnen. Anlasser und Batterie können auch raus.
Letzte Änderung: 03 Okt. 2023 13:04 von Albert.
Folgende Benutzer bedankten sich: Rossi

Bitte Anmelden oder Registrieren um der Konversation beizutreten.

Re: Hilfe im Raum Hamburg (so 100 Kilometer Radius ;-)

03 Okt. 2023 14:53
#70854
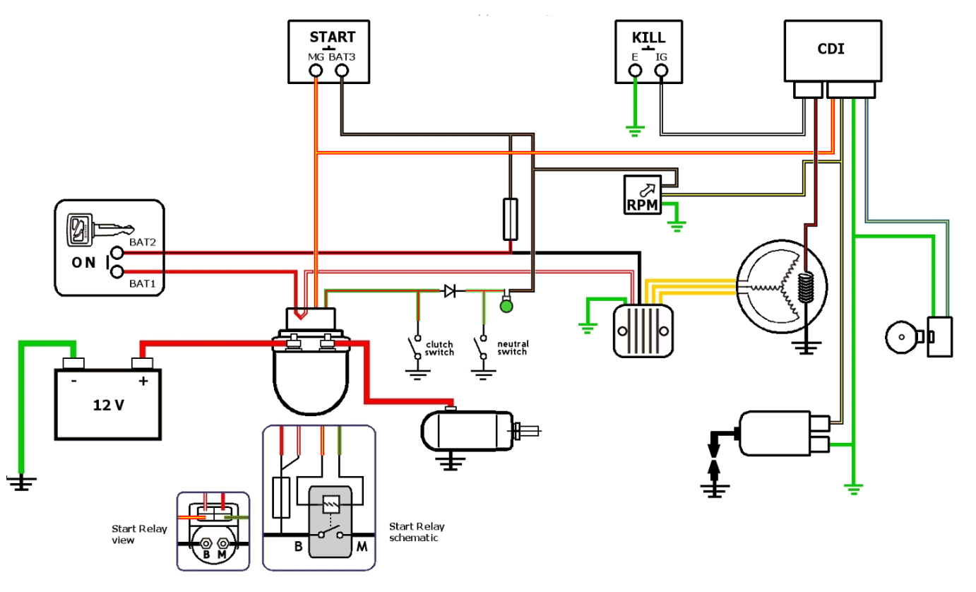
Vielleicht hilft Euch das

Anhänge:

Folgende Benutzer bedankten sich: Rossi

Bitte Anmelden oder Registrieren um der Konversation beizutreten.

Re: Hilfe im Raum Hamburg (so 100 Kilometer Radius ;-)

04 Okt. 2023 09:04 - 04 Okt. 2023 14:26
#70855
Anbei 3 Mögligkeiten:
- Behälte nur was von Sicherung 3 kommt
- Neutralschalter und Drehzahlmesser raus. Startmotor bewegt das Motorrad wenn nicht im Leerlauf.
- Akku und E-startvorrichtung ebenfalls raus. 3x Gelb vom Stator an Masse, damit kein Spannung erregt wird.

Anhänge:

Letzte Änderung: 04 Okt. 2023 14:26 von BuurmanJohan.
Folgende Benutzer bedankten sich: Rossi

Bitte Anmelden oder Registrieren um der Konversation beizutreten.

Re: Hilfe im Raum Hamburg (so 100 Kilometer Radius ;-)

04 Okt. 2023 14:28 - 04 Okt. 2023 16:40
#70856
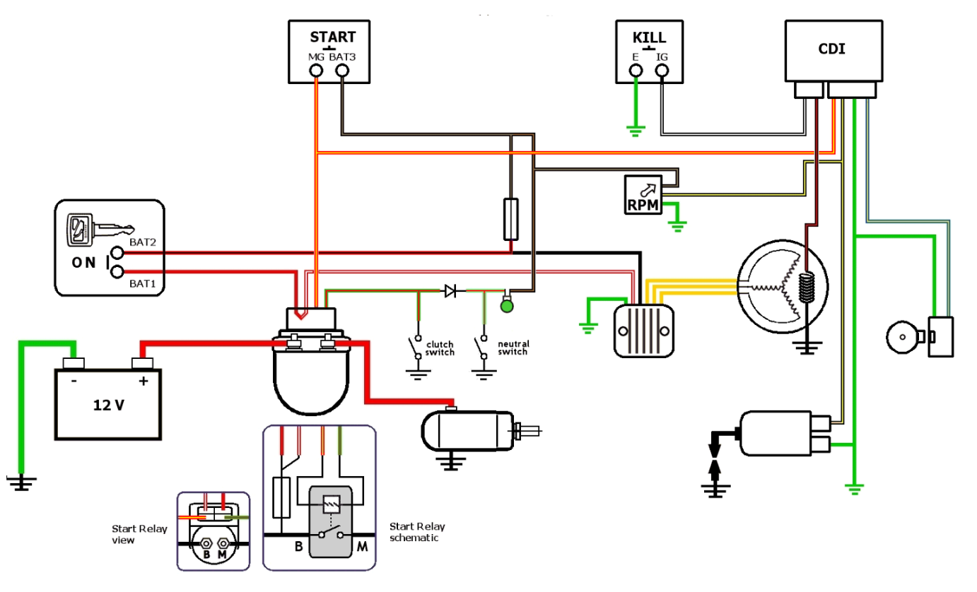
das Hochladen von GIF's geht nicht einwandfrei. Daher nochmal die erste Möglichkeit als Anhang.
Das Rot/Gelb vom Anlasserknopf geht auch zum CDI.

Anhänge:

Letzte Änderung: 04 Okt. 2023 16:40 von BuurmanJohan.
Folgende Benutzer bedankten sich: Rossi

Bitte Anmelden oder Registrieren um der Konversation beizutreten.

Re: Hilfe im Raum Hamburg (so 100 Kilometer Radius ;-)

04 Okt. 2023 21:05
#70857
Liebe Leute,

erstmal vielen Dank für eure Antworten, aber ich habe explitzit danach gefragt, ob mir ein Mensch direkt am Motorrad helfen kann.

Einiges verstehe ich an den Schaltplänen - insgesamt sieht das für mich aber aus, wie das U-Bahn Netz von Peking, dargestellt in chinesischen Schriftzeichen.
Ich finde es einfach zu gefährlich mit einer Trial and Error Methode am Strom rumzufuchteln.
Man stelle sich vor ich schließe den Totmannschalter falsch an und ausgerechnet bei einem Sturz im Rennen kackt der ab - schlecht...

Und welche Kabel (stärke) soll ich verwenden, welche Stecker und muss was gelötet werden...?

Ich hoffe, ihr versteht was ich meine?

Ja, dieses Basiswissen würde ich (bzw. wir) mir/uns gerne mit jemanden erarbeiten der Plan von der Materie hat - und zwar live an der XBR

Grüße :-)

Bitte Anmelden oder Registrieren um der Konversation beizutreten.

Re: Hilfe im Raum Hamburg (so 100 Kilometer Radius ;-)

04 Okt. 2023 22:55
#70858
Wie man in England sagt: "Join the club".

Bitte Anmelden oder Registrieren um der Konversation beizutreten.

Re: Hilfe im Raum Hamburg (so 100 Kilometer Radius ;-)

05 Okt. 2023 12:37
#70859
Garantie gibt es beim freundlichen Honda Händler!

Bitte Anmelden oder Registrieren um der Konversation beizutreten.

Re: Hilfe im Raum Hamburg (so 100 Kilometer Radius ;-)

05 Okt. 2023 18:49
#70860
Welcher Club ist das ? In England?

Bitte Anmelden oder Registrieren um der Konversation beizutreten.

Re: Hilfe im Raum Hamburg (so 100 Kilometer Radius ;-)

05 Okt. 2023 18:50 - 05 Okt. 2023 18:53
#70861
@ albert: Extrem starker Beitrag! Auch hilfreich - genau das, was ich mir auf meine Anfrage gewünscht habe...
Letzte Änderung: 05 Okt. 2023 18:53 von Rossi.

Bitte Anmelden oder Registrieren um der Konversation beizutreten.

Re: Hilfe im Raum Hamburg (so 100 Kilometer Radius ;-)

05 Okt. 2023 19:00
#70862
Ist da wer, der uns helfen würde?

Ich denke die meisten hier im Forum versuchen ihre XBR oder GB500 zu erhalten und nicht zu zerfleddern.
Und wie Albert schon schrieb, besondere Wünsche erfüllt der Honda Händler.

Gibt es kein Flattracker- Forum die helfen können ?

Bitte Anmelden oder Registrieren um der Konversation beizutreten.

Re: Hilfe im Raum Hamburg (so 100 Kilometer Radius ;-)

05 Okt. 2023 20:20 - 05 Okt. 2023 20:35
#70863
Igni Tech CDI Zündung einbauen.
Dann hast Du auch Lichtmaschine und Anlasserfreilauf rauswerfen.
Motor wird dann spontaner hochdrehen.
Dazu einen kleinen Akku, Strom für 30 min.reicht beim Bahnsport.
Killschalter gegen Masse schalten. Kippschalter für die Zündung.
Der Kabelbaum kann komplett raus.
War ein Umbau für die SOS Klasse.
Letzte Änderung: 05 Okt. 2023 20:35 von Albert.

Bitte Anmelden oder Registrieren um der Konversation beizutreten.

Re: Hilfe im Raum Hamburg (so 100 Kilometer Radius ;-)

05 Okt. 2023 21:18
#70864
Hallo Rossi,
ich wohne leider 200 km von HH entfernt, kann Dir also nicht direkt vor Ort helfen.
ich glaube, du willst jetzt nicht unbedingt jedes Teil aus deiner XBR rausschmeißen, um das letzte Gramm einzusparen und programmierbare CDIs verwenden.
OK, Anlasser, Batterie etc. pp. können raus. Ich würde aber die originale LiMa und CDI schon mal drin lassen. Wir sind uns einig, dass folgende Teile notwendig sind, damit der Motor überhaupt laufen kann, wenn man nur den Kickstarter benutzt.
- CDI-Unit (CDI-Einheit hat 6 Anschlüsse - Schwarz/Weiß + Schwarz/Rot + Blau/Gelb + Schwarz/Gelb + Grün/Weiß + Grün)
- Ignition Coil (Zündspule = Schwarz/Gelb + Grün)
- Pulse Generator (Impulsgeber für Zündzeitpunkt; 2 Anschlüsse = Blau/Gelb + Grün/Weiß)
- Alternatür (Lichtmaschine = Grün + Schwarz/Rot) um die CDI mit Strom zu versorgen
Ich weiß nicht, ob du den originalen Drehzahlmesser oder Kombi-Instrument (Koso etc. pp.) verwenden willst. Jedenfalls wird hier grds. das Signal von der Zündspule abgegriffen (Schwarz/Gelb).
Wo jetzt der Killschalter eingreift, weiß ich im Augenblick nicht. Aber wenn man die Leitungen der Stromversorgung zur CDI, zur Zündspule und/oder vom Impulsgeber kappt, dürfte der Motor nach Adam Riese ja nicht mehr laufen.
Als Kabel-Querschnitt würde ich etwas zwischen 1 und 1,5 mm² verwenden.
Schau dir doch noch einmal den Schaltplan der XBR an und richte dein Augenmerk auf die o. g. Bauteile- /gruppen.
Gruß Wolfgang

Anhänge:

Folgende Benutzer bedankten sich: Rossi

Bitte Anmelden oder Registrieren um der Konversation beizutreten.

Re: Hilfe im Raum Hamburg (so 100 Kilometer Radius ;-)

06 Okt. 2023 11:11
#70865
Es gibt da ein You Tuber der eine XBR umgebaut hat, hier ein link :
Folgende Benutzer bedankten sich: Rossi

Bitte Anmelden oder Registrieren um der Konversation beizutreten.

Ladezeit der Seite: 0.754 Sekunden
Powered by Kunena Forum
Wir benutzen Cookies

Wir nutzen Cookies auf unserer Website. Einige von ihnen sind essenziell für den Betrieb der Seite, während andere uns helfen, diese Website und die Nutzererfahrung zu verbessern (Tracking Cookies). Sie können selbst entscheiden, ob Sie die Cookies zulassen möchten. Bitte beachten Sie, dass bei einer Ablehnung womöglich nicht mehr alle Funktionalitäten der Seite zur Verfügung stehen.