Minimal Elektrik Honda XBR 500

Minimal Elektrik Honda XBR 500

13 Aug. 2020 19:41
#67046
Hallo zusammen,

ich habe mir eine 84er XBR 500 zum Flattracker für Flattrackrennen umgebaut. Alles ist fertig bis auf die Elektrik. Das Moped ist nicht für die Straße gedacht, ausschlieslich für Rennen. Elektrik ist nicht gerade meine Stärke, deshalb hier meine Frage an euch Spezialisten.

Hat jemand sowas schon mal gemacht oder gar einen Schaltplan. Ich habe nur einen Ein Schalter und einen Drücker für den Anlasser, das wars.

Ihr würdet mich echt glücklich machen, möchte sehr gerne nächsten Samstag (22.8) an einem Rennen teilnehmen.

Vielen Dank im voraus, Gruß, micha

Anhänge:

Bitte Anmelden oder Registrieren um der Konversation beizutreten.

Re: Minimal Elektrik Honda XBR 500

13 Aug. 2020 22:32
#67050
Bei deinen Elektrikwünschen kann ich dir nicht weiterhelfen, weiß aber, dass über das Thema hier shconmal diskutiert wurde , und ich meine es war tricky.
Benutz mal die Suche !

Aber bevor du dich an der Elektrik verkünstelst:
vergiß nicht, eine Kette mitzunehmen fürs Rennen :-)
ever :xbr: Mein Motor hat außen ab und zu mehr Öl wie innen. Meine Beiträge sind ausschließlich unqualifiziert.

Bitte Anmelden oder Registrieren um der Konversation beizutreten.

Re: Minimal Elektrik Honda XBR 500

14 Aug. 2020 00:01
#67051
Wenn Du auch nach den 22. noch fahren/rennen willst, wäre ein Schmutzschutz im Ramendreieck angebracht; so wie es ist sprüht es vom hinteren Reifen direkt im Vergaser.
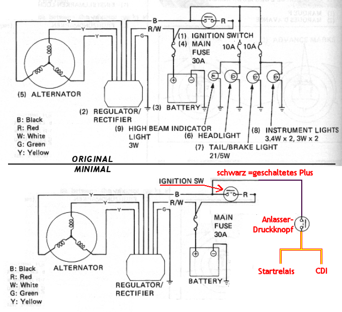
Kickstarter ab? dann muss mehr dazu: Batterie, Regler wenn die B auch geladen werden soll, Starter-Hauptrelais, Anlasser-Druckknopf und 'n Hauptschalter so dass nicht jeder mal der Starterbutton probieren kann.
Schematisch wird es dann minimal, ungefähr so:

Allerdings, mit Kickstarter noch da, wäre "NULL" statt "minimal möglich ...

Bitte Anmelden oder Registrieren um der Konversation beizutreten.

Re: Minimal Elektrik Honda XBR 500

14 Aug. 2020 08:21 - 14 Aug. 2020 08:28
#67052
Hallo Johan,

das mit dem Schmutzfänger ist ein gute Idee. Ein KN Filter wird selbstverständlich auch noch verbaut.

Ja der Kickstarter ist leider ab, musste die Fussrasten nach vorne verlegen. Zündschloss ist KEINS vorhanden, die Batterie ist unter dem Heck versteckt. Was mir in dem Plan fehlt ist Zündung CDI zur Zündspule und brauch ich den Gleichrichter? Ihr merkt es ist für mich kompliziert....

Gruß, micha
Letzte Änderung: 14 Aug. 2020 08:28 von mach1z.

Bitte Anmelden oder Registrieren um der Konversation beizutreten.

Re: Minimal Elektrik Honda XBR 500

15 Aug. 2020 00:29 - 15 Aug. 2020 00:29
#67054
Kannst Du mit diesen Teil-Diagramme etwas ausrichten?
.
Ob der Regler dazu muss, hängt davon ab, ob eine geladene Batterie reicht für den Einsatz; vielleicht gibt es auch Regeln fürs Rennen.
Letzte Änderung: 15 Aug. 2020 00:29 von BuurmanJohan.
Folgende Benutzer bedankten sich: Johannes

Bitte Anmelden oder Registrieren um der Konversation beizutreten.

Re: Minimal Elektrik Honda XBR 500

15 Aug. 2020 06:25
#67055
Hallo Johan,
das sieht gut AUS!!!! Werde berichten!!!!

Vielen Dank, micha

Bitte Anmelden oder Registrieren um der Konversation beizutreten.

Re: Minimal Elektrik Honda XBR 500

16 Aug. 2020 16:22 - 16 Aug. 2020 16:25
#67060
sie läuft!!! Danke für eure Unterstützung!!! War für mich ein großer Act, aber geschafft!!!! Jetzt noch ein paar Kleinigkeiten dann kann das Rennen kommen!!!

Vielen Dank für eure Hilfe, hier ein Video von der XBR

mach1z.de/xbr.mp4

gruß, micha
Letzte Änderung: 16 Aug. 2020 16:25 von mach1z.
Folgende Benutzer bedankten sich: BuurmanJohan

Bitte Anmelden oder Registrieren um der Konversation beizutreten.

Re: Minimal Elektrik Honda XBR 500

16 Aug. 2020 22:33 - 16 Aug. 2020 22:54
#67061
Gratuliere, Micha und viel Spaß & Erfolg am Samstag zugewünscht!

Schönes Video, ich mag den Sound und bewundere die Schweißarbeit der Auspuffanlage.
Die XBR hat ihr Charakter extrem geändert, aber Charakter & Beauty hat sie immer noch!
Und dazu so schlank wie ....:whistle:
Letzte Änderung: 16 Aug. 2020 22:54 von BuurmanJohan.

Bitte Anmelden oder Registrieren um der Konversation beizutreten.

Re: Minimal Elektrik Honda XBR 500

17 Aug. 2020 12:31 - 17 Aug. 2020 12:32
#67062
Bremsscheibe vorne würde ich noch montieren.
Und wie man mit dem Lenker anständig ein Rennen fahren möchte, ist mir schleierhaft!

Und ich kenne jemand, der vermutlich an der Stellung des hinteren Bremshebels etwas auszusetzen hätte :dry:

Aber optisch gelungen das Ganze.
ever :xbr: Mein Motor hat außen ab und zu mehr Öl wie innen. Meine Beiträge sind ausschließlich unqualifiziert.
Letzte Änderung: 17 Aug. 2020 12:32 von everRFVC.

Bitte Anmelden oder Registrieren um der Konversation beizutreten.

Re: Minimal Elektrik Honda XBR 500

17 Aug. 2020 18:50
#67067
Bremse vorne ist nicht gestattet. Das ist ein Flattrack Lenker. Kannst dir hier anschauen wie und was das ist. Die haben alle solche Lenker drauf.
Da es keine Straßenzulassung ist, ist die Bremshebelstellung relativ juck. Bremsen tuts wie verrückt!

gruß, micha

Bitte Anmelden oder Registrieren um der Konversation beizutreten.

Re: Minimal Elektrik Honda XBR 500

17 Aug. 2020 20:39
#67068
Hab' mir die Bilder bei Krowdrace.de angeschaut. Mann, wäre ich doch 40 Jahre junger....
Ich bin mir sicher, Spaß wirst Du haben!

Gruß - johan

Bitte Anmelden oder Registrieren um der Konversation beizutreten.

Re: Minimal Elektrik Honda XBR 500

17 Aug. 2020 21:36
#67069
Danke Johan! Hoffe das es einigermaßen klappt.... bin auch schon 52, wahrschenlich der Oldie der Verantstaltung ;-)
Heute noch Restsarbeiten wie Kettenschutz und Startnummerhalterung gemacht. Alle sehr stressig da die Zeit wegrennt...

Wenn ich fertig bin poste ich noch ein paar Pics.

grüße, micha

Bitte Anmelden oder Registrieren um der Konversation beizutreten.

Re: Minimal Elektrik Honda XBR 500 Vergaserfrage

19 Aug. 2020 18:42
#67076
Erste Probefahrt lief gut, muss allerdings die Hauptdüse dem offenen Lufi und dem neuen Auspuff noch anpassen.... wird morgen gemacht. Bei meinem Vergaser fehlt laut Bild Teilnummer 19, was ist denn das? (das ganze nennt sich A.V. Pipe) Ist das ein geschlossener Schlauch oder Überlauf, auf jeden Fall sifft dort Benzin raus....

gruß, micha

Anhänge:

Bitte Anmelden oder Registrieren um der Konversation beizutreten.

  • hinnihonda
  • hinnihondas Avatar
  • Offline
  • Alter XBR-Fuchs
  • Beiträge: 56

Re: Minimal Elektrik Honda XBR 500

19 Aug. 2020 20:32
#67079
Halo Micha, die Nr. 19 ist der Ablaufschlauch für die Schwimmerkammer, wenn es daraus sifft schliesst mit hoher Warscheinlichkeit dein Schmimmernadelventil nicht richtig.

Gruß
Hinni

Bitte Anmelden oder Registrieren um der Konversation beizutreten.

Re: Minimal Elektrik Honda XBR 500

19 Aug. 2020 20:46 - 19 Aug. 2020 21:11
#67080
Pos. 19 heißt überstezt Überlaufrohr, aber das (Rohr) sitzt innen im Schwimmerkammer; wenn Nivo zu hoch, geht's daraus (anstelle in den Zylinder).
Gezeichnet ist es aber unter diese Tüte unten, als ob es den Schlauch für den Ablass wäre. Diese Schlauch hat fast keiner dran. Wenn's daraus sifft, müsste die Verschlußschraube (horizontal) angespannt werden, oder, wahrscheinlicher, deren Spitze gereinigt.
Wasser im Schwimmerkammer sammelt sich unten, wo der Ablaß gedichtet wird, was zu Korrosionsdreck führt.
Der Sitz der Schraubenspitze ist mit Wattestäbchen zu erreichen.
Letzte Änderung: 19 Aug. 2020 21:11 von BuurmanJohan.

Bitte Anmelden oder Registrieren um der Konversation beizutreten.

Re: Minimal Elektrik Honda XBR 500

19 Aug. 2020 21:55
#67083
alles klar, dann werde ich den vergaser morgen noch kurz mit meinem Ultraschallgerät reinigen..... was ein stress ;.-)

danke für eure Infos!!!

gruß, micha

Bitte Anmelden oder Registrieren um der Konversation beizutreten.

Re: Minimal Elektrik Honda XBR 500

20 Aug. 2020 08:05 - 20 Aug. 2020 08:06
#67084
Hier noch ein Vorher / Nachher Bild.

gruß, micha und nochmals Danke für eure Hilfe!

Anhänge:

Letzte Änderung: 20 Aug. 2020 08:06 von mach1z. Begründung: falsches Bild

Bitte Anmelden oder Registrieren um der Konversation beizutreten.

Re: Minimal Elektrik Honda XBR 500

27 Aug. 2020 21:32
#67122
Sehr cool,

hab mir auch grad einen Flattracker gebaut, allerdings auf XR400 Basis. Eine meiner XBRs ist aber ein Klassikracer geworden.

Viel Spaß

Bitte Anmelden oder Registrieren um der Konversation beizutreten.

Re: Minimal Elektrik Honda XBR 500

28 Aug. 2020 11:34
#67124
Das war ein überragender Event. Hat Megaspaß gemacht und ich bin tatsächlich in meiner Klasse 2ter geworden. Werde das Thema Flattrack weiter verfolgen. Meine XBR lief SUPER, werde jetzt noch allerdings einen abgestimmten 40er Mikuni einbauen.

gruß, micha

Anhänge:

Folgende Benutzer bedankten sich: BuurmanJohan

Bitte Anmelden oder Registrieren um der Konversation beizutreten.

Re: Minimal Elektrik Honda XBR 500

28 Aug. 2020 15:17
#67125
nice!
ever :xbr: Mein Motor hat außen ab und zu mehr Öl wie innen. Meine Beiträge sind ausschließlich unqualifiziert.

Bitte Anmelden oder Registrieren um der Konversation beizutreten.

Re: Minimal Elektrik Honda XBR 500

29 Aug. 2020 08:22
#67127
"mach1z schrieb: Meine XBR lief SUPER, werde jetzt noch allerdings einen abgestimmten 40er Mikuni einbauen.
Ich wollte schon oben, als ich das aufgeräumte Rahmendreieck gesehen habe, etwas dazu schreiben. Normalerweise bekommt man den Keihin Gleichdruckvergaser ohne Ansauggeräuschkasten nicht vernünftig abgestimmt und wenn Du ohne fahren willst, ist die Umrüstung auf einen anderen Vergaser angesagt und zum TM 40 bestehen halt die meisten Erfahrungen. Du wirst Dein Moped nicht wiedererkennen. Viel Spass noch.
Ein wahrer Besserwisser weiß es einfach besser.

Bitte Anmelden oder Registrieren um der Konversation beizutreten.

Re: Minimal Elektrik Honda XBR 500

30 Aug. 2020 22:39
#67133
Hi, ist das dieser 9l Tank aus China (von ebay)? Passt der einfach so oder war das ein Akt?

Grüße

Bitte Anmelden oder Registrieren um der Konversation beizutreten.

Re: Minimal Elektrik Honda XBR 500

31 Aug. 2020 08:48
#67134
Ja genau das ist der Tank. Der ist super, da neu und du kannst bedenkenlos schneiden und schweissen!!!

War aber schon ein ordentlicher Act. Hier ein Bilder. Achtung, ohne Miniflex geht da gar nix....

gruß, micha
Folgende Benutzer bedankten sich: Soulpilot

Bitte Anmelden oder Registrieren um der Konversation beizutreten.

Re: Minimal Elektrik Honda XBR 500

31 Aug. 2020 13:38
#67135
Sooooo das nächste Problem gefunden. Mir hat es die erste BatterieBatterie tiefentladen und zwar so tief das sie definitiv defekt ist ;-(

jetzt kommt wie immer die Fragen aller Fragen, was tun??? Meine bescheidene Elektroerfahrung sagt mir entweder ist der Regler defekt oder er kann mit der Lithium Ionen Batterie nicht umgehen! Nur ist die Frage wie bekomme ich das raus??? Ladestrom sind lächerliche 4 volt statt 14!!!

Vielleicht kennt einer von euch das Problem?

Danke und Gruß, micha

Bitte Anmelden oder Registrieren um der Konversation beizutreten.

Re: Minimal Elektrik Honda XBR 500

31 Aug. 2020 15:51
#67136
Mein XBR Motor kommt seit 4 Jahren klar mit der Lio Batterie (ca. 30 tkm.) OHNE dass ich irgendwas an der Batterie gemacht hätte.
Moped steht im Winter trocken und warm. startet auch nach mehreren Monaten problemlos elektrisch.

Deine 4 Volt erinnern mich eher an den Fehler den wir bei Schnauffi hatten letzthin.....vermutlich ist ne Wicklung deiner Lima defekt.
Meß mal die einzelnen Kabel die aus der lima kommen. oder ersetz die lima.
ever :xbr: Mein Motor hat außen ab und zu mehr Öl wie innen. Meine Beiträge sind ausschließlich unqualifiziert.

Bitte Anmelden oder Registrieren um der Konversation beizutreten.

Ladezeit der Seite: 0.912 Sekunden
Powered by Kunena Forum
Wir benutzen Cookies

Wir nutzen Cookies auf unserer Website. Einige von ihnen sind essenziell für den Betrieb der Seite, während andere uns helfen, diese Website und die Nutzererfahrung zu verbessern (Tracking Cookies). Sie können selbst entscheiden, ob Sie die Cookies zulassen möchten. Bitte beachten Sie, dass bei einer Ablehnung womöglich nicht mehr alle Funktionalitäten der Seite zur Verfügung stehen.